产品选型

产品搜索

更多搜索

产品高级搜索

按照型号搜索

产品分类

按照尺寸搜索

范围查询

<= 内径 <=
<= 外径 <=
<= 宽度 <=

四列圆柱滚子轴承

基本类型
保持架
公差
游隙

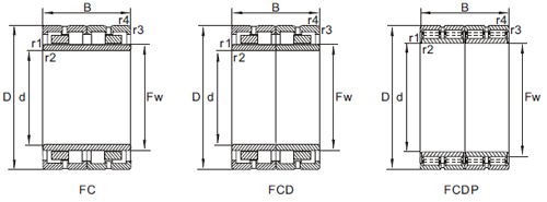
四列圆柱滚子轴承有三种基本类型:FC型,FCD型和FCDP型,如下图所示。


图片2.png

在三种基本类型的基础上,考虑到应用和维护,细微结构差异变化出很多结构形式,常用的结构形式如下图所示:


图片3.png

图片4.png

轴承列表中给出了常用的轴承型号数据和相对应的结构形式图号的部分相应国外的大公司代号,供用户选择。

DHK可以根据需要生产其它尺寸或结构的多列圆柱滚子轴承。


  • 四列圆柱滚子轴承有三种基本类型:FC型,FCD型和FCDP型,如下图所示。


    图片2.png

    在三种基本类型的基础上,考虑到应用和维护,细微结构差异变化出很多结构形式,常用的结构形式如下图所示:


    图片3.png

    图片4.png

    轴承列表中给出了常用的轴承型号数据和相对应的结构形式图号的部分相应国外的大公司代号,供用户选择。

    DHK可以根据需要生产其它尺寸或结构的多列圆柱滚子轴承。


  • 四列圆柱滚子轴承采用实体黄铜保持架或者柱销式钢保持架。

  • 四列圆柱滚子轴承公差有PN,P6和P5三种等级。


    image.png


    image.png

  • DHK可以根据需要提供各种游隙组以及特殊游隙的四列圆柱滚子轴承。


    各组径向游隙值见下表。


    image.png


    image.png

产品尺寸参数
询价型号 外形尺寸(mm) 基本额定载荷(kN) 重量 (kg)参考型号
dDBFwr1.2minr3.4min图列动荷载静荷载SKFFAGNTNNSKKOYO
FC182870 90 140 70 105 1.5 1.5 2 242 425 3.78
FC182874 90 140 74 105 1.5 1.5 2 247 485 4.2
FC1828105 90 140 1405 105 1.5 1.5 2 402 739 6
FC202780 100 135 80 110 1.5 1.5 2 236 520 3
FC202870 100 140 70 111 1.5 1.5 2 238 484 3.3
FC202880 100 140 80 111 1.5 1.5 2 298 610 3.8
FC2028104 100 140 104 111 1.5 1.5 2 400 820 5.3 100RV1401
FC202970 100 145 70 113 1.5 1.5 2 253 546 3.8 20FC1570
FC203074 100 150 74 115 2 2 1 560 530 4.7 4R2035
FC2030106 100 150 106 113 1.5 1.1 2 480 857 6.6
FC223490 110 170 90 127 2 2 2 376 760 7.5 22FC1790
FC223492 110 170 92 127 2 2 2 380 762 7.7
FC2234120 110 170 120 127 2 2 1 615 1100 10 110RV1701
FC233390 115 165 90 132 1.1 1.1 3 398 750 6.5 23FC1690
FC243387 120 165 87 134.5 2 2 1 365 725 6 120RV1601 24FC1787
FC243390 120 165 90 132 2 2 1 510 780 5.6 537675
FC243692 120 180 92 137 2 2 2 425 797 8.01 4R2437
FC2436105 120 180 105 136 2 2 1 530 880 9.4 4R2438 120RV1801 4CR120
FC2436120 120 180 120 136 2 2 2 678 1080 11.2
FC2443174 120 215 174 147 2.1 2.1 1 1060 1600 27.2 120RV2101
FC2443102 120 215 102 148 2.1 2.1 2 710 1200 16
FC2640104 130 200 104 149 2 2 1 570 950 12 4R2628 130RV2003 26FC20104
FC2640110 130 200 110 150 2 2 1 608 1040 12.7 26FC20110
FC2640125 130 200 125 149 2 2 1 700 1190 14.5 130RV2001 26FC20125
FC2838119 140 190 119 154 2 2 2 574 896 9.7 28FC19119W
FC2842100 140 210 100 158 2 2 2 605 985 12.2
FC2842106 140 210 106 158 2 2 2 615 1048 13
FC2842116 140 210 116 160 2 2 1 640 1130 13.9 4R2823 14RV2101 28FC21116A
FC2842125 140 210 125 158 2 2 2 715 1265 14.9
FC2842155 140 210 155 158 2 2 2 745 1330 18
上一页1234567...1617下一页
友情链接:上海展台设计| 加密芯片| vb振动电机

浙ICP备12014805号-1 dhkbearing.com 宁波达克轴承有限公司 Copyright © 2020 DRK Inc.- 保留所有权利