产品选型

产品搜索

更多搜索

产品高级搜索

按照型号搜索

产品分类

按照尺寸搜索

范围查询

<= 内径 <=
<= 外径 <=
<= 宽度 <=

单列满装圆柱滚子轴承

NCF2207V

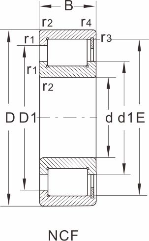
产品尺寸参数

型号 NCF2207V
外形尺寸(mm)
d 35
D 72
B 23
r1,r2 Min 1.1
r3,r4 min 0.6
基本额定载荷(kN)
动负荷 79
静负荷 79
轴承尺寸
E 64
F --
d1 47
D1 59
S 1
极限速度
脂润滑 --
油润滑 --
重量 (kg) 0.44

联系我们

电话: +86-574-86597612

传真: +86-574-86597652

邮箱: master@dhk-intl.com

地址: 浙江省宁波市镇海区中官西路777号创E慧谷31号楼

友情链接:上海展台设计| 加密芯片| vb振动电机

浙ICP备12014805号-1 dhkbearing.com 宁波达克轴承有限公司 Copyright © 2020 DRK Inc.- 保留所有权利